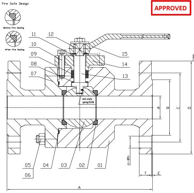
Key Specifications / Feature
Type: Forged Steel Floating Ball Valve.
Body Material: A182-F316.
Seat Material: PTFE.
Material Std.: API 608.
Valve Size: 3 Inch.
Applicable Pressure Rating: Class 300 LB.
Molding Style: Forging.
● Design conform to API 608
● Face to Face conform to ASME B16.10
● Flange dimension conform to ASME B16.5
● Test & Inspection Standard: API 598
● Type: Floating Ball
● Origin: Zhejiang, China
● Molding Style: Forging
● Certification: ISO 9001:2008,API602, API608, DNV/CE Certificate, API607 Fire Safe Certificate etc
● Warranty Period: 18 months
● HS Code: 8481804090

